Ohio Contact replacement crane controls for General Electric IC9528 A104 19" Brake. When you locate the product(s) of your choice, please call 800–310–5999 or click on the part number below to email inquiry for pricing, availability or questions you need answered!

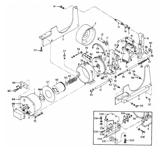
| Item No. | OEM No. | Description |
|---|---|---|
| 1 | 1D180G101 | Coil |
| 1 | 1D180G112 | Coil |
| 1 | 1D180G103 | Coil |
| 1 | 1D180G001 | Shunt Coil |
| 1 | 1D180G101 | Coil, 75-100 HP |
| 1 | 1D180G104 | Coil |
| 1 | 1D180G105 | Coil |
| 1 | 1D180G106 | Coil |
| 1 | 1D180G107 | Coil |
| 1 | 1D180G108 | Coil |
| 1 | 1D180G109 | Coil |
| 1 | 1D180G100 | Series Coil |
| 4 | 171C246G21 | Frame Front |
| 5 | 171C246G22 | Frame Rear |
| 5 | 282A872P5 | Tie Stud |
| 5 | 229B790P11 | Spacer for Tie Stud |
| 6 | 171C266G23 | Yoke with Bushings |
| 7 | 573A608P7 | Bushing for Yoke |
| 8 | 171C221P1 | Brake Shoe |
| 9 | 305A4800P5 | bonded Lining & Support Plate |
| 10 | 282A875P11 | Clamp for Lining |
| 11 | 282A875P5 | Clamp for Lining |
| 12 | N24P33020 | Screw |
| 13 | 287A121P5 | Bearing Pin for RH Yoke |
| 14 | N200P45 | Nut for Bearing Pin |
| 15 | 287A122P5 | Bearing Pin for LH Yoke |
| 16 | 282A763P4 | Seal |
| 17 | 282A770P10 | Thrust Washer |
| 18 | 577A124P4 | Set Screw for Brake Shoe |
| 19 | 282A862P5 | Friction Plug for Brake Shoe |
| 20 | 2418893P1 | Spring for Friction Plug |
| 21 | 282A869P11 | Guide Pin for Spring |
| 22 | N908P229B | Retain Ring for Friction Plug |
| 24 | 138A1173P5 | Pivot Arm for Yoke |
| 25 | 287A120P5 | Pivot Pin for Yoke |
| 33 | 138A1174P5 | Spring Strip for Pivot Arm |
| 33 | 138A1178P5 | Backing Strip |
| 33 | N22P29036B6 | Screw Fastening Spring Strip |
| 33 | 104B9965P5 | Support for Pivot Arm |
| 33 | N24P33020 | Screw |
| 33 | 138A1175P5 | Guide for Pivot Arm |
| 33 | N21P33032 | Adj. Screw for Pivot Arm |
| 33 | N21P33032 | Adj. Screw for Pivot Arm |
| 34 | 104B9964P5 | Tie Rod |
| 35 | 577A142P21 | Spacer for Tie Rod |
| 36 | 5144484P1 | Compression Spring |
| 37 | N402AP50B6 | Spring Seat |
| 38 | 285A839P5 | Rocker Pin |
| 39 | 233B565P4 | Nut for Tie Rod |
| 40 | N70P2110B6 | Set Screw |
| 41 | 577A129P28 | Tube |
| 42 | N402AP50B6 | Spring Seat |
| 43 | 287A125P5 | Stainless Steel Rocker Pin |
| 43 | 138A1191P5 | Stainless Steel Rocker Pin |
| 43 | 138A1176P5 | Rocker Pin |
| 44 | N227P82 | Tie Rod Nut |
| 46 | 229B796G5 | Armature with Bushings |
| 47 | 573A608P8 | Bushing for Armature |
| 48 | 577A124P4 | Set Screw for Armature |
| 50 | 282A758P1 | Spring Seat |
| 51 | N21P29020 | Adjusting Screw for Pivot Arm |
| 52 | 576A106P1 | Bearing Pin |
| 53 | N206P45B | Nut for Bearing Pin |
| 53 | N200P45 | Nut for Bearing Pin |
| 54 | 282A775P5 | Dust Cap |
| 55 | N57P21008B | Screw |
| 56 | 111C9019P1 | Magnet Frame |
| 57 | 577A190P12 | Screw |
| 58 | 282A867P3 | Manual-Release Rod |
| 59 | 282A760P1 | Armature Gap Indicator |
| 60 | N22P39064B6 | Hinge Screw |
| 61 | N530P1008B6 | Drive Screw |
| 62 | 5144480P1 | Torque Spring |
| 63 | 282A886P5 | Spring Seat |
| 64 | 282A754P1 | Retainer |
| 65 | 282A768P5 | Adjusting Screw |
| 66 | 978B347P3 | Magnet Core |
| 66 | 282A852P3 | Shim |
| 67 | 138A2586P1 | Retainer for Magnet Coil |
| 68 | 282A861P5 | Stud for Magnet Core |
| 69 | 394B562P1 | Back Plate, Outer |
| 69 | 394B589P1 | Back Plate, Inner |
| 70 | N93P39096 | Screw |
| 71 | 218A6420G3 | Conduit Cover |
