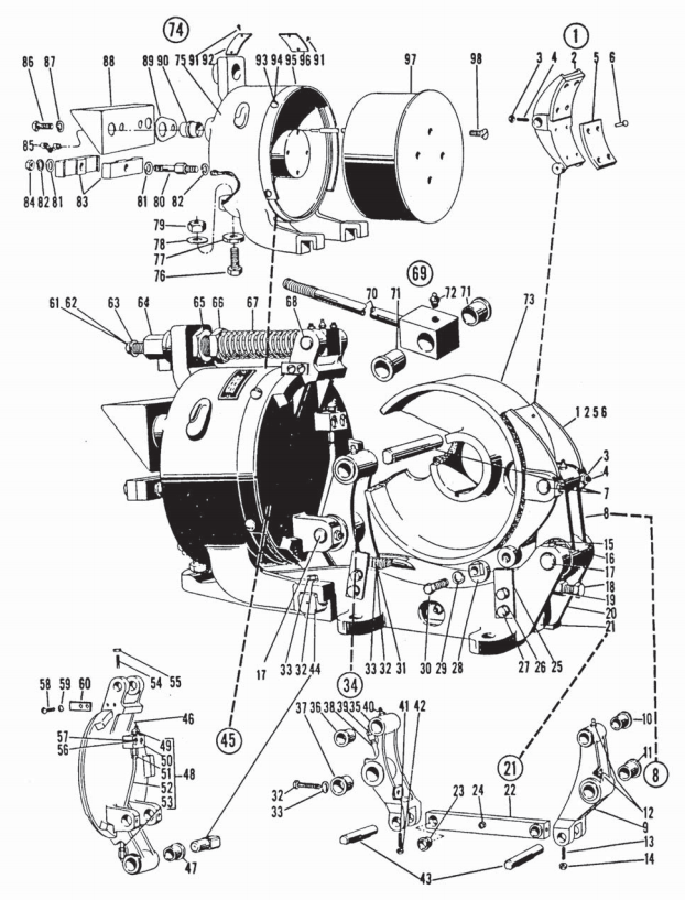
Ohio Contact replacement crane controls for Square D Class 5010 8" Type WB Brake, Folio 5. When you locate the product(s) of your choice, please call 800–310–5999 or click on the part number below to email inquiry for pricing, availability or questions you need answered!

| Item No. | OEM No. | Description |
|---|---|---|
| 1 | W-8004-A | Assembled Brake Shoe, Complete |
| 2 | W-8005 | Brake Shoe, only |
| 2 | 23701-00200 | Pl. Lock Washer |
| 3 | 52927-017-60 | Grease Fitting |
| 4 | FP-24B39 | Bearing |
| 5 | W-8043 | Brake Block |
| 6 | WB-0550 | Rivet |
| 6 | 23701-00200 | Pl. Lock Washer |
| 7 | W-8032 | Shoe Pin |
| 7 | FP-24B39 | Bearing |
| 7 | 23701-00220 | Lock Washer |
| 8 | W-8006-A | Assembled Shoe Lever, Complete |
| 8 | 23701-00220 | Lock Washer |
| 9 | W-8008-A | Shoe Lever w/ Bearings |
| 9 | 52927-017-60 | Grease Fitting |
| 10 | FP-24B45 | Bearing |
| 11 | FP-24B39 | Bearing |
| 12 | 52927-017-60 | Grease Fitting |
| 17 | W-8034 | Shoe Lever Pin |
| 18 | W-8027 | Equalizing Screw |
| 19 | W-8042 | Lock Nut |
| 20 | W-8018-A | Assembled Frame, Complete |
| 21 | W-8009-A | Assembled Connecting Rod, Comp |
| 22 | W-8095-A | Connecting Rod w/ Bearings |
| 23 | FP-24B47 | Bearing |
| 24 | 52927-017-60 | Grease Fitting |
| 25 | W-8025 | Cam Rail |
| 26 | 23701-00200 | Pl. Lock Washer |
| 27 | 21401-20240 | H.I. Cap Screw |
| 28 | W-8015-A | Cam (replace with W-10117) |
| 28 | W-10117 | Adjusting Ring |
| 29 | 23701-00220 | Lock Washer |
| 30 | 21401-22400 | H.I. Cap Screw |
| 31 | W-8021 | Centering Spring |
| 32 | 21401-24400 | H.I. Cap Screw |
| 33 | 23701-00240 | Pl. Lock Washer |
| 34 | W-8007-A | Assembled Shoe Lever, Complete |
| 35 | W-8008-A | Shoe Lever w/ Bearings |
| 36 | FP-24B45 | Bearing |
| 37 | FP-24B39 | Bearing |
| 38 | 25223-46480 | Pipe Nipple |
| 40 | 52927-017-70 | Grease Fitting |
| 43 | W-8098 | Connecting Rod Pin |
| 44 | For Improved Construction | |
| 44 | W-8031 | Magnet Hinge Pin |
| 44 | W-8132 | Collar |
| 45 | W-8002-A | Assembled Armature, Complete |
| 46 | W-8003-A | Armature w/ Bearings |
| 48 | W-8047-A | Assembled Grease Unit Complete |
| 49 | 52927-017-50 | Grease Fitting |
| 50 | W-13026 | Header Block |
| 51 | 52927-018-50 | Compression Fitting |
| 52 | W-8048 | Tube |
| 53 | 52927-018-70 | Compression Fitting |
| 56 | 21101-20400 | Fil. I. Cap Screw |
| 57 | 23701-00200 | Pl. Lock Washer |
| 58 | 21507-16160 | R.I. Screw |
| 59 | 23701-00160 | Pl. Lock Washer |
| 60 | W-8049 | Air Gap Indicator |
| 61 | 21401-20160 | H.I. Cap Screw |
| 63 | LC-48 | Washer |
| 64 | W-8022 | Manual Release Nut |
| 65 | W-8041 | Lock Nut |
| 66 | W-8023 | Spring Adjusting Nut |
| 67 | W-8020 | Operating Spring |
| 67 | W-8134 | Spring, 50% Of Std. Torque |
| 68 | W-10031 | 8" Spring Rod Pin |
| 69 | W-8012-A | Assembled Spring Rod, Complete |
| 70 | W-8094-A | Spring Rod w/ Bearings |
| 71 | FP-24B47 | Bearing |
| 72 | 52927-017-60 | Grease Fitting |
| 74 | W-8001-A | Assembled Magnet, Complete |
| 75 | W-8017 | Magnet Case, only |
| 76 | W-8040 | Magnet Adjusting Screw |
| 77 | W-8088 | Magnet Adjusting Nut |
| 78 | V-1011 | Washer |
| 79 | W-8080 | Lock Nut |
| 80 | W-8090 | Lead Clamp Stud |
| 81 | 23601-00220 | Washer |
| 82 | 23701-00220 | Lock Washer |
| 83 | W-10091 | Lead Clamp |
| 84 | 23002-00220 | H.I. Nut |
| 86 | 21401-22240 | H.I. Cap Screw |
| 88 | W-8089 | Terminal Shield |
| 89 | W-8039 | Lead Gasket |
| 90 | W-8029 | Lead Bushing |
| 91 | 21008-06080 | Drive Screw |
| 93 | 21001-20100 | R.I. Screw |
| 94 | 23701-00200 | Pl. Lock Washer |
| 95 | W-8024 | Dust Shield |
| 97 | W-8053-A | Coil, 10-1/2 to 15 HP |
| 97 | W-8057-A | Coil, 4-5 HP |
| 97 | W-8056-A | Coil, 6-7 HP |
| 97 | W-8157 | Retaining Plate |
| 98 | 21101-20160 | F.I. Screw |
| 0 | 29005-48310 | Frame Bushing |
| 0 | W-8045 | Spring Collar |
| 0 | W-8028 | Frame Bushing |
| 0 | W-8065-A | Coil, 115V |
| 0 | W-8055-A | Coil, 7-9 HP |
