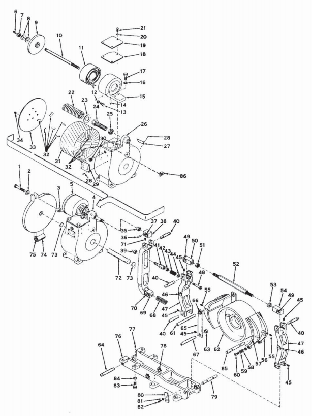
Ohio Contact replacement crane controls for Square D Class 5060 10" Type AT Adjustable Torque Brake. When you locate the product(s) of your choice, please call 800–310–5999 or click on the part number below to email inquiry for pricing, availability or questions you need answered!

| Item No. | OEM No. | Description |
|---|---|---|
| 2 | 50502-003-33 | Armature Stop Washer |
| 4 | 51009-049-50 | Magnet Assembly |
| 5 | 51009-051-50 | Auxiliary Magnet |
| 5 | 51009-052-50 | Assembled Spring Rod |
| 6 | 24209-12480 | Roll Pin |
| 7 | 51009-053-01 | Jam Nut, Series A |
| 8 | 23690-01420 | Spherical Washer |
| 9 | 51009-052-02 | Auxiliary Armature |
| 10 | 51009-052-01 | Spring Rod |
| 15 | 51009-056-01 | Auxiliary Magnet Case |
| 18 | 51009-028-02 | Terminal Box Cover Gasket |
| 19 | 51009-028-01 | Terminal Box Cover |
| 22 | W-10078 | Operating Spring |
| 23 | 50502-003-29 | Spring Adjuster Washer |
| 24 | 51009-018-01 | Spring Adjuster |
| 25 | W-16080 | Lock Nut |
| 26 | 51009-023-01 | Main Magnet Case |
| 27 | 51139-027-01 | Nameplate |
| 29 | 51139-028-022 | Calibration Plate |
| 32 | W-8086 | Coil Spacer |
| 33 | 51009-039-01 | Coil Retaining Plate |
| 36 | FP-59A10 | Roll Pin |
| 37 | FP-24B47 | Bearing |
| 38 | 51009-022-01 | Spring Rod Link |
| 0 | 51009-022-50 | Spring Rod Link Assembly |
| 40 | W-10098 | 10" Connecting Rod Pin |
| 41 | 50502-801-05 | Stud |
| 43 | 50502-601-09 | Centering Spring |
| 46 | FP-24B45 | Bearing |
| 47 | 51009-014-01 | Shoe Lever |
| 48 | 51009-016-50 | Connecting Rod Assembly |
| 48 | 50502-526-04 | Centering Spring Stud Screw |
| 49 | FP-24B47 | Bearing |
| 50 | 51009-029-01 | Link, RH |
| 51 | W-8080 | Lock Nut |
| 52 | 50502-326-08 | Connecting Rod |
| 53 | W-10086 | Nut, LH |
| 54 | W-10004-A | Assembled Brake Shoe Complete |
| 54 | 51009-029-02 | Link, LH |
| 56 | WB-0550 | Rivet |
| 56 | W-10005 | Brake Shoe, Only |
| 57 | W-10043 | Brake Block |
| 58 | W-10117 | Adjusting Ring |
| 61 | W-10082 | Shoe Pin |
| 63 | 50502-051-19 | Anti-drag Lever Spacer |
| 64 | W-10081 | Hinge Pin |
| 65 | 51009-017-01 | Anti-Drag Lever |
| 66 | FP-24B47 | Bearing |
| 67 | W-10079 | Drag Link Pin |
| 68 | LZA-6149 | Release Spring |
| 69 | 51009-015-01 | L-Lever |
| 69 | 51009-015-50 | L-Lever Assembly |
| 70 | FP-24B47 | Bearing |
| 72 | 51009-020-01 | Thrust Pin |
| 73 | 51009-019-01 | Thrust Pad |
| 74 | 51009-011-01 | Main Armature |
| 74 | 51009-011-50 | Main Armature Assembly |
| 75 | 51009-010-50 | Frame Assembly |
| 75 | FP-24B45 | Bearing |
| 76 | 51009-010-01 | Frame |
| 78 | FP-24B45 | Bearing |
| 79 | W-10083 | Pin |
| 80 | W-10116 | Rail |
| 85 | W-10032 | Shoe Pin |
| 86 | FP-28A40 | Terminal |
| 87 | 51009-055-50 | Parking Coil |
| 87 | 51009-024-52 | Coil |
| 87 | 51009-024-50 | Coil |
| 89 | W-8086 | Coil Spacer |
| 90 | FP-74A10 | Grommet |
| 91 | 51009-013-50 | Spring Rod Assembly |
