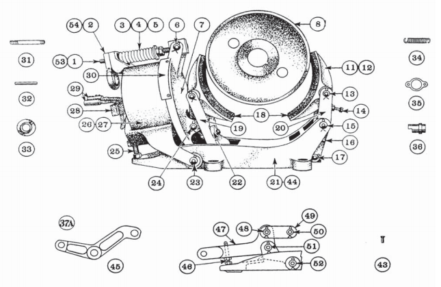
Ohio Contact replacement crane controls for Square D EC&M No. 20 Type WB Brake, Folio 2. When you locate the product(s) of your choice, please call 800–310–5999 or click on the part number below to email inquiry for pricing, availability or questions you need answered!

| Item No. | OEM No. | Description |
|---|---|---|
| 1 | WB-283-A | Spring Rod with Nuts |
| 2 | WB-281 | Handle |
| 3 | WB-216 | Brake Spring |
| 6 | WB-225 | Spring Rod Pin |
| 7 | WB-287-A | Armature |
| 11 | WB-210-A | Assembled Shoe |
| 12 | WB-204 | Brake Shoe |
| 13 | WB-220 | Shoe Pin |
| 14 | WB-238 | Shoe Adjusting Screw |
| 15 | WB-222 | Shoe Lever Hinge Pin |
| 16 | WB-235 | Equalizing Screw |
| 17 | WB-224 | Connecting Rod Pin |
| 18 | WB-218 | Brake Lining |
| 18 | 51001-071-60 | Lining Kit |
| 19 | WB-205 | Shoe Lever |
| 20 | WB-285-A | Shoe Lever |
| 22 | WB-232-A | Shoe Adjusting Wheel w/screw |
| 23 | WB-223 | Magnet Hinge Pin |
| 24 | WB-221 | Armature Pin |
| 25 | WB-455 | Magnet Adjusting Screw |
| 26 | WB-290-A | Assembled Magnet |
| 27 | WB-288-A | Magnet Case |
| 28 | Q-257 | Lead Block |
| 30 | WB-2163 | Dust Shield |
| 30 | WB-215 | Dust Shield, Steel |
| 31 | Q-165 | Lead Block Stud |
| 32 | WB-219 | Centering Spring Pin |
| 33 | WB-2061 | Spring Collar |
| 34 | WB-226 | Centering Spring |
| 35 | Q-305 | Terminal Guard |
| 36 | WB-229 | Terminal Bushing |
| 37 | WB-209 | Retaining Plate, Brass |
| 40 | WB-286-A | Balance Lever |
| 41 | WB-206-A | Connecting Rod |
| 43 | WB-259 | Lining Rivet |
| 44 | WB-289-A | Frame |
| 48 | WB-424 | Connecting Rod Pin |
| 0 | WB-263 | Bushing, Armature/Lower |
| 0 | WB-262 | Bushing, Armature |
| 0 | WB-265 | Bushing, Shoe Lever |
| 0 | WB-264 | Bushing, Frame/Upper |
| 0 | WB-261 | Bushing, Magnet Case |
| 0 | WB-267 | Bushing, Balance Lever |
| 0 | FP-24C36 | Bushing |
| 0 | 29005-48301 | Bushing |
