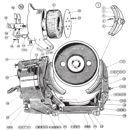
Ohio Contact replacement crane controls for Square D EC&M No. 30 Type WB Brake, Folio 3. When you locate the product(s) of your choice, please call 800–310–5999 or click on the part number below to email inquiry for pricing, availability or questions you need answered!

| Item No. | OEM No. | Description |
|---|---|---|
| 1 | WB-3200-A | Assembled Shoe, Complete |
| 2 | WB-3317-A | Brake Shoe |
| 3 | FP-24B19 | Bearing |
| 4 | WB-318 | Brake Lining |
| 5 | WB-366 | Rivet |
| 6 | WB-3213 | Shoe Pin |
| 7 | WB-3227 | Washer |
| 8 | FP-24B17 | Bearing |
| 9 | WB-3220 | Spacer |
| 10 | WB-3204-A | Shoe Lever with Hinge Pin |
| 11 | WB-355 | Shoe Adjusting Screw |
| 13 | WB-322 | Shoe Lever Hinge Pin |
| 14 | WB-3228 | Washer |
| 15 | FP-24B21 | Bearing |
| 16 | FP-24B20 | Bearing |
| 17 | WB-235 | Equalizing Screw |
| 18 | WB-319 | Spring Pin |
| 19 | WB-324 | Connecting Rod Pin |
| 20 | FP-24B18 | Bearing |
| 21 | FP-24C10 | Bearing |
| 22 | WB-326 | Centering Spring |
| 23 | WB-3217-A | Connecting Rod |
| 24 | WB-3186-A | Frame Complete |
| 25 | WB-3215 | Shoe Adjusting Screw |
| 27 | WB-3202-A | Balance Lever |
| 28 | WB-3223 | Magnet Hinge Pin |
| 29 | FP-24C11 | Bearing |
| 30 | WB-345 | Armature Pin |
| 31 | WB-3214 | Shoe Pin |
| 32 | WB-3190-A | Armature Complete |
| 33 | WB-381 | Handle |
| 34 | WB-316 | Operating Spring |
| 35 | WB-2249 | Spring Collar |
| 36 | WB-383-A | Spring Rod with Nuts |
| 37 | WB-325 | Spring Rod Pin |
| 39 | WB-3312-A | Assembled Magnet |
| 40 | WB-3192-A | Magnet Case |
| 41 | FP-24B22 | Bearing |
| 42 | WB-333 | Special Cap Screw |
| 44 | WB-303 | Terminal Bushing |
| 45 | Q-305 | Terminal Guard |
| 47 | Q-369 | Lead Block Stud |
| 48 | Q-368 | Lead Block |
| 51 | WB-3125-A | Coil |
| 52 | WB-3138 | Retaining Plate |
