Ohio Contact replacement crane controls for Square D EC&M No. 40 Type WB Brake, Folio 2. When you locate the product(s) of your choice, please call 800–310–5999 or click on the part number below to email inquiry for pricing, availability or questions you need answered!

| Item No. | OEM No. | Description |
|---|---|---|
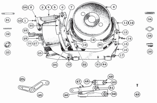
| 1 | WB-483-A | Spring Rod, with Nuts |
| 2 | WB-381 | Handle |
| 3 | WB-416 | Brake Spring |
| 4 | WB-436 | Operating Spring |
| 6 | WB-425 | Spring Rod Pin |
| 7 | WB-487-A | Armature |
| 11 | WB-4200-A | Assembled Shoe, Complete |
| 12 | WB-4317-A | Brake Shoe |
| 13 | WB-420 | Shoe Pin |
| 14 | WB-435 | Special Cap Screw |
| 15 | WB-422 | Shoe Lever Hinge Pin |
| 16 | WB-334 | Equalizing Screw |
| 17 | WB-424 | Connecting Rod Pin |
| 18 | WB-418 | Brake Lining |
| 19 | WB-405 | Shoe Lever |
| 20 | WB-4204-A | Shoe Lever With Spring Pin |
| 21 | WB-489-A | Frame |
| 22 | WB-432-A | Shoe Adjusting Wheel w/screw |
| 23 | WB-423 | Magnet Hinge Pin |
| 24 | WB-421 | Armature Pin |
| 25 | WB-433 | Special Cap Screw |
| 26 | WB-4184-A | Assembled Magnet |
| 27 | WB-4174-A | Magnet Case |
| 28 | Q-368 | Lead Block |
| 30 | WB-4163 | Dust Shield |
| 31 | Q-369 | Lead Block Stud |
| 32 | WB-419 | Centering Spring Pin |
| 33 | WB-414 | Spring Collar |
| 34 | WB-426 | Centering Spring |
| 35 | WB-529 | Terminal Guard |
| 36 | WB-503 | Terminal Bushing |
| 37 | WB-409 | Retaining Plate, Brass |
| 37 | WB-4183 | Retaining Plate |
| 40 | WB-408 | Balance Lever |
| 41 | WB-4217-A | Connecting Rod |
| 43 | WB-366 | Rivet |
| 46 | WB-455 | Magnet Adjusting Screw |
| 0 | WB-466 | Bushing, Frame, Lower Inner |
| 0 | WB-4131-A | Coil |
| 0 | WB-4132-A | Coil, Series Wound 100-HP |
| 0 | 51001-071-63 | Brake Block Kit |
| 0 | WB-463 | Bushing, Armature |
| 0 | WB-461 | Bushing, Magnet Case |
| 0 | WB-462 | Bushing, Shoe Lever |
| 0 | WB-464 | Bushing, Armature/Lower |
