Ohio Contact replacement crane controls for Westinghouse Type TM-1035 Magnetic Shoe Brake. When you locate the product(s) of your choice, please call 800–310–5999 or click on the part number below to email inquiry for pricing, availability or questions you need answered!

| Item No. | OEM No. | Description |
|---|---|---|
| 0 | 318B917H03 | Seal |
| 0 | 31D4114H11 | Bushing |
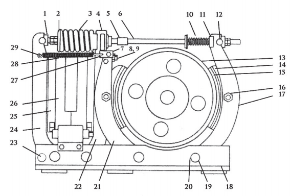
| 29 | 318B790H03 | Pin |
| 28 | 438A411H03 | Spring |
| 27 | 318B778H02 | Spring Clip |
| 26 | Coil | Give # on Coil |
| 25 | 318B988G01 | Clapper |
| 24 | 635C308G01 | Clapper Arm |
| 23 | 318B571H03 | Pin |
| 22 | 635C317G01 | Clapper & Arm |
| 21 | 635C306G02 | Shoe Arm |
| 20 | 318B789H03 | Pin |
| 19 | 31D4118H04 | Bushing |
| 18 | 635C300G01 | Base |
| 17 | 635C306G01 | Shoe Arm |
| 16 | 27D7221H14 | Bolt |
| 15 | 861C691G17 | Lining Kit |
| 14 | 635C292G01 | Shoe & Lining |
| 13 | Brake Wheel | Provide Specs |
| 12 | 318B787H03 | Block |
| 11 | 318B777H02 | Spring Plate |
| 10 | 438A070H13 | Spring |
| 8 | 318B793H02 | Adj. Screw |
| 7 | 438A217H01 | Block |
| 6 | 635C104G03 | Tie Rod |
| 5 | 318B792H02 | Release BSNG |
| 4 | E010074 | Inner Hinge Block |
| 3 | 438A072H11 | Spring |
| 2 | 318B795H03 | Spring Retain |
| 1 | 318B788H03 | Block |
