Ohio Contact replacement crane controls for Clark Type VT Vari-Time Relay. When you locate the product(s) of your choice, please call 800–310–5999 or click on the part number below to email inquiry for pricing, availability or questions you need answered!

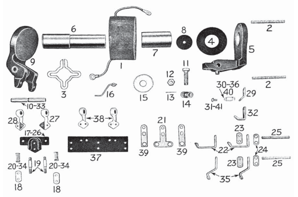
| Item No. | OEM No. | Description |
|---|---|---|
| 1 | TB-17-3 | Coil, 115V |
| 1 | TB-17-1 | Coil, 230V |
| 1 | TB-17-2 | Coil, 550V |
| 1 | TB-16-3 | Coil, 115V |
| 1 | TB-16-1 | Coil, 230 VDC |
| 1 | TB-16-2 | Coil, 550V |
| 2 | T-7-47 | Coil Terminal Stud |
| 3 | A18-2548 | Coil Clamp |
| 4 | A18-6710 | Coil Washer |
| 5 | A18-25359A | Frame |
| 6 | A18-2505A | Asssembled Core |
| 6 | A18-2564A | Core Assembled |
| 7 | T-24-41 | Core Spacer |
| 8 | T-2-14 | Core Washer |
| 9 | A18-23933A | Arm Assembled |
| 10 | T-66-10 | Arm Pin |
| 11 | A18-2536 | Stop Stud |
| 12 | A18-2547 | Stop Stud Nut |
| 13 | T-3-17 | Stop Stud Pin |
| 14 | T-2-18 | Stop Stud Washer |
| 15 | A18-10496 | Adjusting Wheel |
| 16 | A18-10497A | Lock Spring |
| 17 | A18-2544 | Aux. Contact Insulator |
| 18 | A18-2542 | Aux. Contact Plate |
| 19 | A18-9477 | Aux. Contact Stud |
| 20 | T-45-83 | Control Contact Spring |
| 21 | 18-9464A | Auxiliary Contact Bar, Moveable |
| 22 | A18-9465A | Stationary Control Contact |
| 23 | A18-2543 | Aux. Contact Base Plate |
| 24 | A18-3590 | Contact Spacer Plate |
| 25 | T-7-36 | Aux. Stud |
| 25 | T-7-150 | Aux. Stud |
| 26 | A18-3610 | Control Cont. Insul. |
| 27 | A18-25587 | Insulator Arm (R.H.) |
| 28 | A18-25588 | Insulator Arm (L.H.) |
| 29 | A18-3590 | Contact Spacer Plate |
| 30 | T-46-9 | Spring |
| 31 | A18-3742 | Spring Screw |
| 33 | A18-9481 | Stop |
| 33 | T-66-6 | Arm Pin |
| 34 | T-45-81 | Auxiliary Contact Spring |
| 35 | A18-9466A | Stationary Control Contact |
| 36 | T-46-32 | Spring |
| 37 | A73-39220 | Control Cont. Insulator |
| 38 | 73-38561 | Insulator Arm |
| 39 | A18-10404A | Control Contact |
| 40 | T-46-21 | Spring |
| 41 | T-65-1 | Spring Screw |
