Ohio Contact replacement crane controls for Clark Type VTH Vari-Time Relay. When you locate the product(s) of your choice, please call 800–310–5999 or click on the part number below to email inquiry for pricing, availability or questions you need answered!

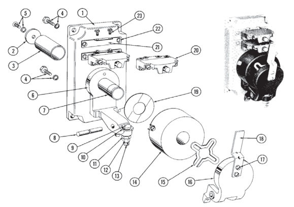
| Item No. | OEM No. | Description |
|---|---|---|
| 1 | A73-260922 | Mounting Base |
| 2 | T-2-14 | Core Washer |
| 3 | T-24-41 | Core Spacer |
| 4 | T-121-12 | Hex Head Screw |
| 4 | T-155-12 | Spring Lockwasher |
| 5 | T-155-12 | Spring Lockwasher |
| 5 | T-120-176 | Brass Screw |
| 6 | A18-25359A | Frame |
| 7 | A18-2505A | Assembled Core |
| 8 | T-66-1 | Main Arm Pin |
| 9 | A18-2536 | Stop Stud |
| 10 | T-2-18 | Stop Stud Washer |
| 11 | T-115-39 | Jam Nut |
| 12 | A18-2547 | Stop Stud Nut |
| 13 | T-3-17 | Stop Stud Pin |
| 14 | TB-148-1 | Coil, 230 VDC |
| 14 | TB-148-2 | Coil, 550 VDC |
| 14 | TB-148-3 | Coil, 115 VDC |
| 15 | A18-2548 | Coil Clamp |
| 16 | A73-257304A | Assembled Arm |
| 17 | T-155-10 | Spring Lockwasher |
| 17 | T-120-150 | Screw |
| 18 | A73-260924 | Operating Arm, 2-1/2 Long |
| 18 | A73-260918 | Operating Arm, 4" Long |
| 19 | A18-6710 | Coil Washer |
| 20 | KKD-1 | Contact Block |
| 20 | KKD-2 | Contact Block |
| 20 | KKD-3 | Contact Block |
| 21 | A73-257301 | Contact Mounting Bracket |
| 22 | T-155-10 | Spring Lockwasher |
| 22 | T-120-105 | Screw |
| 23 | T-147-6 | Screw |
| 0 | A73-260931-XXX | VTH Timing Relay |
