Ohio Contact replacement crane controls for Clark Type XVR Relay. When you locate the product(s) of your choice, please call 800–310–5999 or click on the part number below to email inquiry for pricing, availability or questions you need answered!

| Item No. | OEM No. | Description |
|---|---|---|
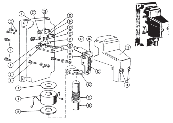
| 1 | A73-260367 | Mounting Base |
| 2 | T-155-10 | Spring Lockwasher |
| 2 | T-120-152 | 10-32 X 3/4" Screw |
| 3 | T-135-3 | Pre-Assem. Screw |
| 4 | A73-259774 | Arm Bracket Pin |
| 5 | A29-4592 | Contact Arm Spring |
| 6 | T-155-10 | Spring Lockwasher |
| 6 | T-120-135 | Brass Screw |
| 6 | T-115-18 | Brass Nut |
| 6 | T-2-287 | #6 Black Burr |
| 6 | T-2-27 | Brass Washer |
| 7 | T-38-22 | Coil Spacer (top) |
| 8 | TB-118-3 | Coil |
| 8 | TB-118-5 | 115 Volt Coil |
| 9 | T-38-59 | Coil Spacer (bottom) |
| 10 | A29-226286A | Adjusting Plug |
| 12 | A29-35745A | Assembled Frame |
| 13 | A29-4610 | Spring (Red) |
| 14 | T-155-11 | Thin Spring Lockwasher |
| 14 | T-132-22 | Screw |
| 15 | B73-260940 | Cover |
| 16 | A73-38666 | Retaining Clamp |
| 17 | A73-255674A | Assembled Operating Arm |
| 18 | T-155-10 | Spring Lockwasher |
| 18 | T-120-105 | Screw |
| 19 | A73-259773A | Bracket |
| 20 | A29-30345 | Solenoid Plug |
| 21 | A29-30344 | Contact Arm Bracket |
| 22 | T-155-11 | Thin Spring Lockwasher |
| 22 | T-2-27 | Brass Washer |
| 22 | T-12-6 | Arm Stop Stud |
| 22 | T-155-7 | #8 Lock Washer |
| 22 | T-115-11 | Brass Nut |
| 23 | A77-166052 | Pressure Terminal |
| 24 | A73-257347 | Terminal Plate |
| 25 | E12501 | Terminal Nut |
| 25 | T-155-9 | 3/16" Lock Washer |
| 26 | A29-4414A | Assm. Front Movable Contact |
| 27 | A29-4412A | Contact |
| 0 | A73-260932-230 | TYPE 7328, XVR Relay |
