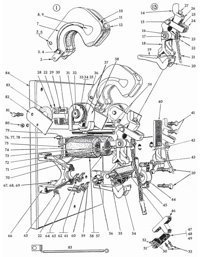
Ohio Contact replacement crane controls for Square D No. 2 Double Pole Type L Line-Arc Contactor, Folio 3. When you locate the product(s) of your choice, please call 800–310–5999 or click on the part number below to email inquiry for pricing, availability or questions you need answered!

| Item No. | OEM No. | Description |
|---|---|---|
| 1 | LT-2024-A | Assembled Arc Shield, Complete |
| 2 | LT-1049 | Arc Shield Hinge |
| 4 | ZO-1150 | Cup Washer |
| 5 | FP-23A36 | Binding Screw |
| 6 | FP-23A13 | Binding Post |
| 7 | LT-1081 | Arc Plate Connector |
| 9 | ZO-1121 | Cup Washer |
| 10 | LT-2032 | Arc Plate |
| 11 | LT-2035 | Arc Shield, Left Hand |
| 12 | LT-2036 | Arc Shield, Right Hand |
| 13 | L-2203-G | Assembled Contact Arm,Complete |
| 14 | LT-2031 | Contact Tip |
| 16 | FP-24B12 | Bearing |
| 17 | LT-2038 | Auxiliary Arm Pin |
| 18 | L-2204-A | Contact Arm, Complete |
| 19 | LT-2123 | Contact Arm Clamp |
| 21 | LT-2114-A | Connector |
| 22 | LT-1091 | Spring Washer |
| 23 | LT-1092 | Set Screw |
| 24 | L-1021 | Contact Spring Bracket |
| 25 | L-2027 | Contact Spring |
| 26 | LT-2028-A | Auxiliary Arm, Complete |
| 28 | LT-2050 | Arc Shield Clip |
| 31 | LT-2039 | Blowout Core |
| 32 | LT-2074 | Insulator |
| 33 | LT-2656-A | Blowout Coil |
| 34 | LT-2657-A | Blowout Coil |
| 35 | LT-2658-A | Blowout Coil |
| 36 | LT-2072 | Stud |
| 37 | LT-2064 | Blowout Ear Spacer |
| 38 | LT-2265-A | Blowout Guard |
| 39 | L-2219 | Stop Bar |
| 40 | L-1214-A | Stop Plate |
| 42 | L-2210 | Armature Plate |
| 44 | LT-1125 | Bearing Bracket Clamp |
| 45 | L-1211 | Clamp |
| 46 | L-1206 | Magnet Arm Clamp |
| 47 | EL-1-A | Control Circuit Arm, Complete |
| 48 | EL-2-A | Control Circuit Arm, Complete |
| 49 | EL-3 | Control Circuit Arm Only |
| 50 | EL-87 | Spring Retainer |
| 51 | EL-49 | Spring |
| 52 | EL-84-A | Contact Bridge |
| 54 | LT-2615 | Shaft Insulator |
| 55 | L-2208-A | Shaft |
| 56 | LT-1121 | Bearing |
| 57 | L-2116-A | Coil |
| 58 | L-2117-A | Coil |
| 59 | EL-6-A | Control Circuit Contact |
| 61 | EL-21 | Stud |
| 62 | EL-22 | Stud |
| 63 | EL-11 | Stud |
| 64 | EL-12 | Stud |
| 66 | LT-2115 | Bearing Bracket |
| 67 | LT-2044-A | Main Terminal Stud |
| 68 | LT-2045-A | Main Terminal Stud |
| 69 | LT-2646-A | Main Terminal Stud |
| 71 | L-1026 | Core Cap |
| 72 | L-3029 | Non-Magnetic Spacer |
| 73 | L-3015-A | Core |
| 74 | L-3018-A | Core Plate |
| 75 | L-2212 | Spacer |
| 76 | LTZ-1809 | Coil Terminal Stud |
| 77 | LTZ-1810 | Coil Terminal Stud |
| 78 | LTZ-1811 | Coil Terminal Stud |
| 82 | LT-1052 | Blowout Ear |
| 83 | LT-1075 | Insulator |
| 85 | LT-2128-A | Blowout Connector |
