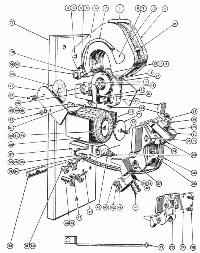
Ohio Contact replacement crane controls for Square D No. 2 Single Pole Type L Line-Arc Contactor, Folio 3. When you locate the product(s) of your choice, please call 800–310–5999 or click on the part number below to email inquiry for pricing, availability or questions you need answered!

| Item No. | OEM No. | Description |
|---|---|---|
| 1 | LT-2024-A | Assembled Arc Shield, Complete |
| 2 | FP-23A36 | Binding Screw |
| 3 | FP-23A13 | Binding Nut |
| 5 | ZO-1150 | Cup Washer |
| 6 | LT-1049 | Arc Shield Hinge |
| 7 | LT-1081 | Arc Plate Connector |
| 9 | ZO-1121 | Cup Washer |
| 10 | LT-2035 | Arc Shield, Left Hand |
| 11 | LT-2036 | Arc Shield, Right Hand |
| 12 | LT-2032 | Arc Plate |
| 13 | LT-2656-A | Blowout Coil |
| 14 | LT-2657-A | Blowout Coil |
| 15 | LT-2658-A | Blowout Coil |
| 16 | LT-2265-A | Blowout Guard |
| 17 | LT-1052 | Blowout Ear |
| 18 | LT-2039 | Blowout Core |
| 19 | LT-2074 | Insulator |
| 20 | LT-2064 | Blowout Ear Spacer |
| 21 | LT-2072 | Stud |
| 22 | LT-2031 | Contact Tip |
| 24 | L-2015-A | Core |
| 25 | L-1026 | Core Cap |
| 28 | LT-2028-A | Auxiliary Arm, Complete |
| 29 | L-2027 | Contact Spring |
| 30 | L-1021 | Contact Spring Bracket |
| 31 | LT-2038 | Auxiliary Arm Pin |
| 32 | FP-24B12 | Bearing |
| 33 | LT-1092 | Set Screw |
| 34 | LT-1091 | Spring Washer |
| 35 | LT-2025-A | Connector |
| 36 | L-2013-A | Magnet Arm, Complete |
| 37 | FP-24B13 | Bearing |
| 38 | EL-1-A | Control Circuit Arm, Complete |
| 39 | EL-2-A | Control Circuit Arm, Complete |
| 40 | EL-3 | Control Circuit Arm Only |
| 41 | EL-49 | Spring |
| 42 | EL-87 | Spring Retainer |
| 43 | EL-84-A | Contact Bridge |
| 46 | EL-6-A | Control Circuit Contact |
| 48 | EL-23 | Stud |
| 49 | EL-24 | Stud |
| 50 | EL-11 | Stud |
| 51 | EL-12 | Stud |
| 52 | LT-2037 | Pin |
| 54 | LT-2044-A | Main Terminal Stud |
| 55 | LT-2045-A | Main Terminal Stud |
| 56 | LT-2646-A | Main Terminal Stud |
| 57 | LT-2029-A | Magnet Arm Bracket |
| 58 | L-2018-A | Frame |
| 59 | L-2010-A | Magnet Coil |
| 60 | L-2011-A | Magnet Coil |
| 63 | LTZ-1809 | Coil Terminal Stud |
| 64 | LTZ-1810 | Coil Terminal Stud |
| 65 | LTZ-1811 | Coil Terminal Stud |
| 68 | LT-1075 | Insulator |
| 70 | LT-2050 | Arc Shield Clip |
| 72 | L-2016-A | Blowout Connector |
| 73 | L-2083-A | Magnet Arm, Complete |
| 74 | L-1036 | Tie Bar |
