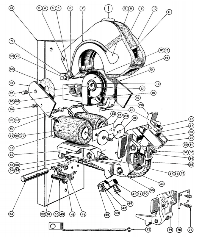
Ohio Contact replacement crane controls for Square D No. 3 Single Pole Type L Line-Arc Contactor, Folio 3. When you locate the product(s) of your choice, please call 800–310–5999 or click on the part number below to email inquiry for pricing, availability or questions you need answered!

| Item No. | OEM No. | Description |
|---|---|---|
| 1 | LT-3024-A | Arc Shield, Complete |
| 2 | FP-23A36 | Binding Screw |
| 3 | FP-23A13 | Binding Nut |
| 5 | ZO-1150 | Cup Washer |
| 6 | LT-1049 | Arc Shield Hinge |
| 7 | LT-3081 | Arc Plate Connector |
| 9 | LT-3035 | Arc Shield, Complete |
| 10 | LT-3036 | Arc Shield, Complete |
| 11 | LT-3032 | Arc Plate |
| 12 | LT-3657-A | Blowout Coil & Contact Bracket |
| 13 | LT-3658-A | Blowout Coil & Contact Bracket |
| 14 | LT-3265-A | Blowout Guard |
| 15 | LT-3052 | Blowout Ear |
| 16 | LT-3039 | Blowout Core |
| 17 | LT-3074 | Insulator, for Blowout Core |
| 18 | LT-3064 | Blowout Ear Spacer |
| 19 | LT-3072 | Stud, for Blowout Ear Spacer |
| 20 | LT-3031 | Contact Tip |
| 22 | L-3015-A | Core |
| 23 | L-3029 | Non-Magnetic Spacer |
| 24 | L-1026 | Core Cap |
| 27 | LT-3028-A | Auxiliary Arm |
| 28 | L-3027 | Contact Spring |
| 29 | L-3021 | Spring Bracket |
| 30 | LT-2037 | Pin |
| 31 | FP-24B13 | Bearing |
| 32 | LT-3092 | Set Screw |
| 34 | LT-3091 | Spring Washer |
| 35 | LT-3025-A | Connector |
| 36 | LT-3093 | Set Screw |
| 38 | L-3013-A | Magnet Arm, Complete |
| 39 | FP-24B15 | Bearing |
| 40 | EL-1-A | Control Circuit Arm, Complete |
| 41 | EL-2-A | Control Circuit Arm, Complete |
| 42 | EL-3 | Control Circuit Arm Only |
| 43 | EL-49 | Spring |
| 44 | EL-87 | Spring Retainer |
| 45 | EL-84-A | Contact Bridge |
| 47 | EL-6-A | Control Circuit Contact |
| 49 | EL-27 | Stud |
| 50 | EL-28 | Stud |
| 51 | EL-15 | Stud |
| 52 | EL-16 | Stud |
| 53 | LT-3037 | Magnet Arm Pin |
| 55 | LT-3044-A | Main Terminal Stud |
| 56 | LT-3045-A | Main Terminal Stud |
| 57 | LT-3029-A | Magnet Arm Bracket |
| 58 | L-3018-A | Core Plate |
| 59 | L-2116-A | Magnet Coil |
| 60 | L-2117-A | Coil |
| 62 | LTZ-1810 | Coil Terminal Stud |
| 63 | LTZ-1811 | Coil Terminal Stud |
| 66 | LT-1068 | Washer |
| 68 | LT-3075 | Insulator, for Blowout Ear |
| 70 | LT-1091 | Spring Washer |
| 71 | LT-3050 | Arc Shield Clip |
| 73 | LT-3090-A | Blowout Connector |
