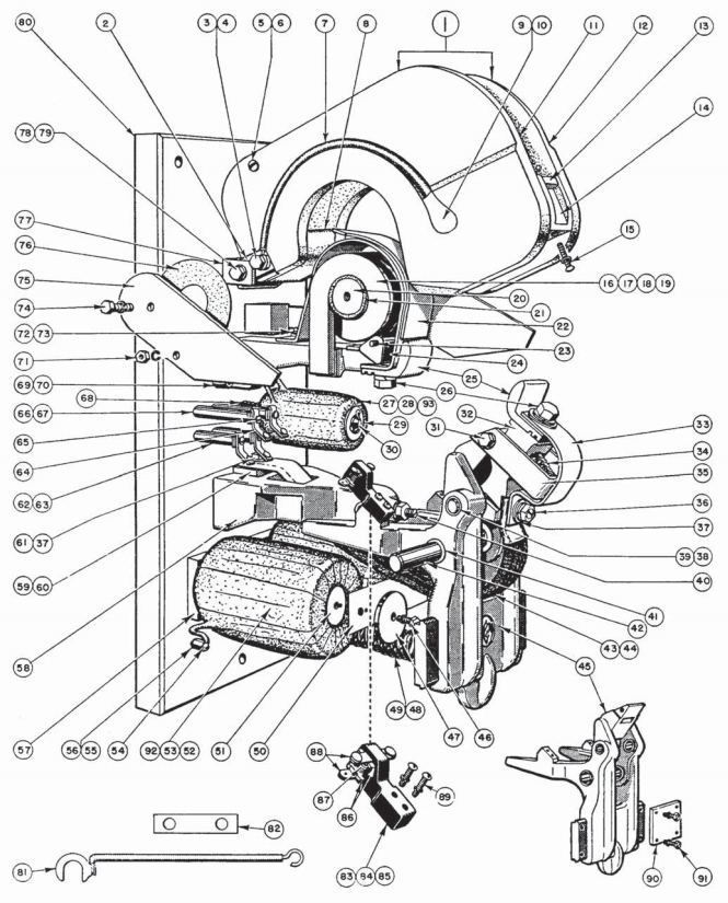
Ohio Contact replacement crane controls for Square D No. 4 & 4A Single Pole Spring Closed Type L Line-Arc Contactor, Folio 3. When you locate the product(s) of your choice, please call 800–310–5999 or click on the part number below to email inquiry for pricing, availability or questions you need answered!

| Item No. | OEM No. | Description |
|---|---|---|
| 1 | LT-4708-A | Arc Shield |
| 2 | LT-4734 | Arc Shield Hinge |
| 5 | FP-23A36 | Binding Screw |
| 6 | FP-23A14 | Binding Post |
| 7 | LT-4778-A | Connector Arc Plate |
| 8 | LT-4745 | Arc Shield Spacer |
| 10 | ZO-1150 | Cup Washer |
| 11 | LT-4741 | Arc Shield L.H. |
| 12 | LT-4742 | Arc Shield, R.H. |
| 13 | LT-4720-A | Arc Plate |
| 14 | LT-4744 | Blocks |
| 16 | LT-4709-A | B/O Coil & Contact Bracket |
| 17 | LT-4710-A | B.O. Coil |
| 18 | LT-4711-A | B.O. Coil |
| 19 | LT-4712-A | B.O. Coil |
| 20 | LT-4757 | B/O Core |
| 21 | LT-4749 | Insl. For B/O Core |
| 22 | LT-4732-A | B/O Guard |
| 23 | LT-4748 | Stud |
| 24 | LT-4743 | B/O Ear Spacer |
| 25 | LT-4718 | Contact Tip |
| 27 | L-4113-A | Retarding Coil |
| 28 | L-4114-A | Retarding Coil |
| 29 | L-3119 | Washer, For Retarding Coil |
| 30 | L-4108 | Stop Bar |
| 32 | LT-4716-A | Aux Arm |
| 33 | LT-4727 | Aux Arm Guard |
| 34 | LT-4755 | Contact Spring |
| 35 | LT-4737 | Spring Bracket |
| 36 | LT-3092 | Set Screw |
| 38 | LT-4777 | Aux Arm Pin |
| 39 | FP-24B14 | Oilite Bearing |
| 40 | LT-3093 | Set Screw |
| 41 | FP-24B16 | Bearing |
| 42 | LT-4037 | Mag Arm Pin |
| 43 | L-4111-A | Connector |
| 44 | L-4121-A | Connector |
| 45 | L-4102-A | Magnet Arm |
| 47 | LT-4067 | Core Cap |
| 48 | L-4105 | Spring (Oper.) |
| 49 | L-4106 | Stud |
| 50 | LT-4824 | Spacer |
| 51 | L-4132-A | Core |
| 52 | LT-4804-A | Coil |
| 53 | LT-4805-A | Coil |
| 55 | LTZ-1811 | Coil Terminal Stud |
| 56 | L-4128 | Coil Terminal Stud |
| 57 | LT-4814-A | Mag Frame |
| 58 | L-4104-A | Bracket |
| 59 | LT-4044-A | Main Terminal Stud |
| 60 | LT-4045-A | Main Terminal Stud |
| 62 | EL-27 | Stud |
| 63 | EL-28 | Stud |
| 64 | EL-6-A | Control Circuit Contact |
| 66 | EL-33 | Stud |
| 67 | EL-34 | Stud |
| 68 | L-3120 | Spring |
| 69 | LTZ-1810 | Coil Terminal Stud |
| 70 | LTZ-1811 | Coil Terminal Stud |
| 73 | LT-1068 | Washer |
| 75 | LT-4738 | B/O Ear |
| 76 | LT-4750 | Insl. For B/O Ear |
| 77 | LT-4733 | Arc Shield Clip |
| 79 | LT-2091 | Spring Washer, Large |
| 81 | L-4109 | Connector |
| 82 | LT-4754 | Connector |
| 83 | EL-1-A | Control Circuit Arm, Complete |
| 84 | EL-2-A | Control Circuit Arm, Complete |
| 85 | EL-3 | Control Circuit Arm Only |
| 86 | EL-87 | Spring Retainer |
| 87 | EL-49 | Spring |
| 88 | EL-84-A | Contact Bridge |
| 90 | L-4148 | Tie Bar |
