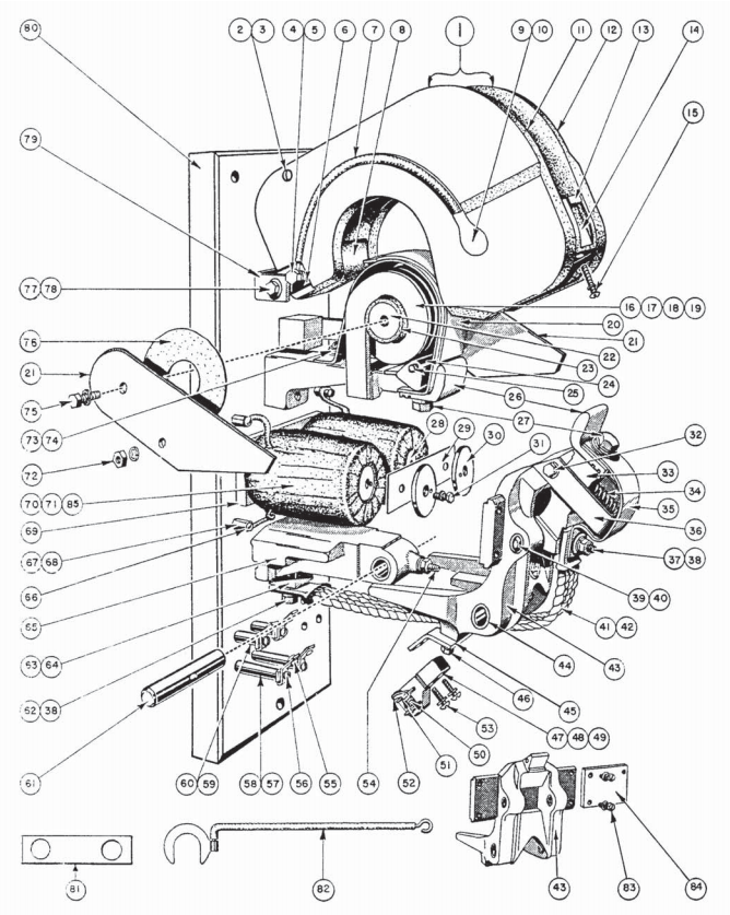
Ohio Contact replacement crane controls for Square D No. 4 & 4A Single Pole Type L Line-Arc Contactor, Folio 3. When you locate the product(s) of your choice, please call 800–310–5999 or click on the part number below to email inquiry for pricing, availability or questions you need answered!

| Item No. | OEM No. | Description |
|---|---|---|
| 1 | LT-4708-A | Arc Shield |
| 2 | FP-23A36 | Binding Screw |
| 3 | FP-23A14 | Binding Post |
| 6 | LT-4734 | Arc Shield Hinge |
| 7 | LT-4778-A | Connector Arc Plate |
| 8 | LT-4745 | Arc Shield Spacer |
| 10 | ZO-1150 | Cup Washer |
| 11 | LT-4741 | Arc Shield, L.H. |
| 12 | LT-4742 | Arc Shield, R.H. |
| 13 | LT-4720-A | Arc Plate |
| 14 | LT-4744 | Blocks |
| 16 | LT-4709-A | B/O Coil & Contact Bracket |
| 17 | LT-4710-A | B/O Coil |
| 18 | LT-4711-A | B/O Coil |
| 19 | LT-4712-A | B/O Coil |
| 20 | LT-4732-A | B/O Guard |
| 21 | LT-4738 | B/O Ear |
| 22 | LT-4757 | B/O Core |
| 23 | LT-4749 | Insl. For B/O Core |
| 24 | LT-4743 | B/O Ear Spacer |
| 25 | LT-4748 | Stud |
| 26 | LT-4718 | Contact Tip |
| 28 | L-4015-A | Core |
| 29 | LT-4752 | Non-Magnetic Spacer |
| 30 | LT-4067 | Core Cap |
| 33 | LT-4716-A | Aux Arm |
| 34 | LT-4755 | Contact Spring |
| 35 | LT-4727 | Aux Arm Guard |
| 36 | LT-4737 | Spring Bracket |
| 37 | LT-3092 | Set Screw |
| 39 | LT-4777 | Aux Arm Pin |
| 40 | FP-24B14 | Oilite Bearing |
| 41 | LT-4714-A | Assem Connector |
| 42 | LT-4784-A | Assembled Connector |
| 43 | LT-4713-A | Mag Arm |
| 44 | FP-24B16 | Bearing |
| 45 | L-4020 | Control Contact Bracket |
| 47 | EL-1-A | Control Circuit Arm, Complete |
| 48 | EL-2-A | Control Circuit Arm, Complete |
| 49 | EL-3 | Control Circuit Arm Only |
| 50 | EL-49 | Spring |
| 51 | EL-87 | Spring Retainer |
| 52 | EL-84-A | Contact Bridge |
| 54 | LT-3093 | Set Screw |
| 55 | EL-6-A | Control Circuit Contact |
| 57 | EL-31 | Stud |
| 58 | EL-32 | Stud |
| 59 | EL-17 | Stud |
| 60 | EL-18 | Stud |
| 61 | LT-4037 | Mag Arm Pin |
| 63 | LT-4044-A | Main Term Stud |
| 64 | LT-4045-A | Main Terminal Stud |
| 65 | LT-4029-A | Mag Arm Bracket |
| 67 | LTZ-1810 | Coil Terminal Stud |
| 68 | LTZ-1811 | Coil Terminal Stud |
| 69 | LT-4729-A | Coil Frame |
| 70 | LT-4704-A | Magnet Coil |
| 71 | LT-4705-A | Magnet Coil |
| 74 | LT-1068 | Washer |
| 76 | LT-4750 | Insl. For B/O Ear |
| 78 | LT-2091 | Spring Washer, Large |
| 79 | LT-4733 | Arc Shield Clip |
| 81 | LT-4754 | Connector |
| 82 | LT-4740-A | B/O Connector |
| 84 | L-3148 | Tie Bar |
