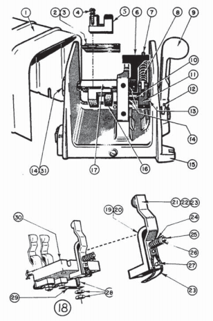
Ohio Contact replacement crane controls for Square D Type DM Master Switch Folio 1-A. When you locate the product(s) of your choice, please call 800–310–5999 or click on the part number below to email inquiry for pricing, availability or questions you need answered!

| Item No. | OEM No. | Description |
|---|---|---|
| 1 | DM-214 | Cover |
| 2 | MM-8 | Shaft Insulator |
| 3 | MM-9 | Shaft Insulator |
| 4 | 21001-18240 | R.I. Mch. Screw |
| 4 | 23701-00200 | Pl. Lk. Washer |
| 5 | DM-211 | Cylinder Contact |
| 6 | DM-207 | Cylinder Lever |
| 7 | DM-205 | Spring Rod |
| 8 | DM-206 | Spring Rod |
| 9 | DM-202 | Operating Lever |
| 10 | DM-204 | Operating Shaft |
| 11 | DM-203-A | Cam |
| 12 | 24209-12400 | Roll Pin |
| 13 | FP-24C24 | Oilite Bearing |
| 14 | FP-24C234 | Oilite Bearing |
| 15 | DM-228-A | Frame Assembled |
| 16 | DM-210 | Cylinder Contact |
| 17 | DM-209 | Cylinder Shaft |
| 18 | DM-226-A | Finger Board Complete |
| 19 | DM-230-A | Finger Holder Assembly |
| 20 | DM-234 | Holder |
| 21 | DM-231-A | Finger |
| 22 | DM-233 | Contact |
| 23 | A-228-A | Connector |
| 24 | ZO-1247 | Spring |
| 25 | A-233 | Spring Stud |
| 26 | A-234 | Spring Bushing |
| 27 | DM-235 | Stud |
| 29 | DM-219 | Jumper |
| 30 | DM-215 | Finger Board |
| 31 | DM-229-A | Bearing Plug |
